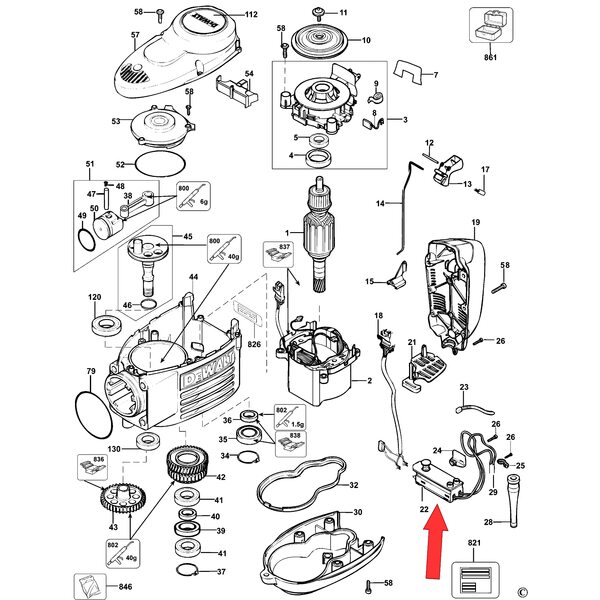
Выключатель N485853 предназначен для использования в бетоноломах DeWalt следующих моделей: D25899K (тип 1), D25900K (тип 1, тип 2), D25940K (тип 1, тип 2)
- Выключатель N485853 для бетонолома DeWalt D25899K (тип 1)
- Выключатель N485853 для бетонолома DeWalt D25900K (тип 1, тип 2)
- Выключатель N485853 для бетонолома DeWalt D25940K (тип 1, тип 2)
Будьте внимательны! Старый код изделия 326087-01
Выключатель для бетонолома DeWalt D25899K N485853
- Производитель: DeWalt
- Код товара: N485853
- Артикул: N485853
- Доступность: Нет в наличии
-
Цена: 1 240.00 р.
Рекомендуемые товары
Теги: N485853, выключатель, кнопка, 326087-01, D25899K, D25900K, D25940K



